Среда, 02 декабря 2020 01:10

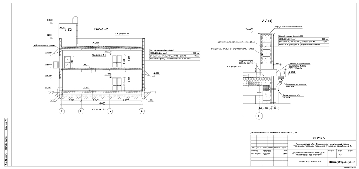
Супермаркет Лента в г.Тосно, Ленинградской области

Двухэтажное здание со свободной планировкой под торговлю, расположенное в г. Тосно, Ленинградская область. Запроектирован под устройство двухэтажного магазина «Лента».

В рамках данного договора нашей компанией выполнялись следующие работы:

  • Разработка проекта стадии «Проектная документация» и «Рабочая документация»